| FX-YS型薄型磁粉制動器 | |||||||||||||||||||||||||||||||||||||||||||||||||||||||||||||||||||||||||||||||||||||||||
| 來源: 點擊數:18230次 更新時間:2018/10/18 14:09:33 | |||||||||||||||||||||||||||||||||||||||||||||||||||||||||||||||||||||||||||||||||||||||||
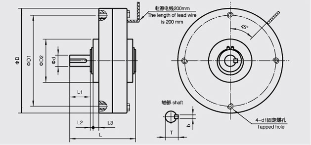
FX-YS型(軸聯結、止口支撐)薄型磁粉制動器 當FX-YS型薄型磁粉制動器磁粉剎車器長時間運轉會造表面溫度升高,因此要特別注意預防不能讓水分或者油侵入內部,在安裝齒輪箱時如果不正當,油分就會透過軸部侵入內部。 這里建議在安裝時用薄膜完全封住,此外長時間的超額運轉會導致磁粉剎車器的性能大大降低,或者會引發其它故障發生,因此請務必保證在所容許的滑動工作率之內運轉。 使用薄型磁粉制動器時必須要注意使用環境的濕度,也就是注意FX-YS型薄型磁粉制動器周邊的濕氣,假若磁粉受潮的話,磁粉剎車器的性能就會受到影響,因此造成機器損壞,影響生產工作,是我們所不樂見的,小小的保養知識對于各位的幫助是非常大的,平時的保養維護是最重要的。
| |||||||||||||||||||||||||||||||||||||||||||||||||||||||||||||||||||||||||||||||||||||||||
| 【刷新頁面】【加入收藏】【打印此文】 【關閉窗口】 | |||||||||||||||||||||||||||||||||||||||||||||||||||||||||||||||||||||||||||||||||||||||||
| 上一篇:FX-YN/YH型薄型磁粉制動器 下一篇:FZ-K/F型磁粉制動器 | |||||||||||||||||||||||||||||||||||||||||||||||||||||||||||||||||||||||||||||||||||||||||
服務熱線:400-111-3688 (24小時)
工作時間:7:30-11:30 12:30-16:30 (雙休)


