扭矩傳感器是采用應變片電測技術 ,在彈性軸上組成應變橋,向應變橋提供電源即可測得該彈性軸受扭的電信號。將該應變信號放大后,經過壓/頻轉換,變成與扭應變成正比的頻率信號。該傳感器可以精確測量各種扭力、轉速及機械功率。
扭矩傳感器也叫力矩傳感器,扭力傳感器,轉矩傳感器。分為動態和靜態兩大類。其中動態轉矩傳感器又叫做轉矩轉速傳感器,非接觸扭矩傳感器。扭矩傳感器可用來進行發動機減速機等旋轉力測量。特別是我們平常用的最多的汽車,可分為燃油汽車和電動汽車。他們都是通過發動機或者電池輸出功率,變成旋轉的力向外輸送,再通過變速箱減速箱扭矩傳感器的測試臺。它是由負載,顯示動態扭矩傳感器,儀表記錄儀。發動機所組成。通過數據線把信號傳送到動態扭矩傳感器上面,我們圖上所看到的是DYN200,它顯示的有扭矩04107N.m功率:068.80KW轉速:597RPM。轉矩轉速功率實時通過顯示屏顯示?捎脕磉M行發動機減速器等旋轉力測量。
其實扭矩的測量測量在我們生活中應用的是非常多的,我們舉一個簡單的比方,我們平常用于兒童開發智力的魔方,他就是一共有6個面,每個面代表不同的顏色,我們要通過方法把6種打亂的顏色進行通過旋轉拼接成每一面的顏色都完成統一的。作為玩具的生產廠家,他生產魔方的時候,他要考慮到我們的受眾兒童有多大的力,在使用過程中雙手進行旋轉的時候,需要用了多大的力,這個扭力的大小,就可以用到扭矩傳感器來進行測量?
當然測量魔方使用的扭距有一套嚴格的方法,我們事先要做好一個橡膠的模具,是一副一共兩個分別左右,固定著魔方的左右兩側,然后進行分別進行前后左右的旋轉時,所使用的力矩通過顯示屏顯示出來到底有多大,符合人體工程學原理,以及小朋友力量的大小,這才是對兒童魔方制作的一個理論數據,動用到扭矩傳感器,才會制作出合格的產品。
扭矩傳感器特點:
1. 轉矩轉速動態測量、供電及信號非接觸傳遞、輸出信號數字化。
2. 檢測精度高、穩定性好、抗干擾性強。
3.不需反復調零即可連續測量正反轉扭矩。
4.既可測量靜止扭矩,也可測量動態扭矩。
5.可脫離二次儀表獨立使用,輸出信號可供PLC、PC直接使用。
6.可根據客戶要求非標定制。
扭矩傳感器主要功能及性能指標 :
扭矩示值誤差(Torque indication error): <± 0.2 % F · S
靈敏度 (Sensitivity): 1±0.2 mv / V
非線性(Nonlinear): ≤±0.2 % F·S
重復性(Repeatability): ≤±0.2% F·S
滯后(Lag): ≤0.2 % F·S
零點飄移(24小時)Zero drift (24 hours) : ≤0.1 % F·S
輸出阻抗(Output impedance): 1KΩ ±3Ω
絕緣阻抗(Insulation resistance): >500MΩ
靜態超載(Static overload): 150 %
斷裂負載(Breaking load): 200 %
電源電壓(Power supply voltage):DC±15V±5% ,DC 24V(可選 optional)
轉速輸出信號:60-2000個脈沖/轉(可選) Speed output signal: 60-2000 pulse / turn(optional)
零轉矩頻率輸出( Zero torque frequency output):10KHZ
正向轉矩滿量程頻率輸出(Positive torque full scale frequency output ):15KHZ
反向轉矩滿量程頻率輸出(Reverse torque full scale frequency output ):5KHZ
信號占空比(Signal duty ratio): (50±10)%
傳感器功耗(Power consumption of the sensor): 4W
使用溫度(Temperature when use): -20 ~ 70℃
相對濕度(Relative humidity): ≤90%RH
信號輸出:10±5KHz (可選4~20mA,0~5V,0~10V信號輸出 / 485通訊,通信協議見P12)
Signal output: 10±5KHz(Optional 4 ~ 20mA, 0 ~ 5V, 0 ~ 10V signal output / 485 communication, communication agreement pls. see P12)
量程范圍: 0.01N•m~2000K N•m,可以非標定制 Measurement range: 0.01~2000K N•m Non-standard can customization.
插頭連接及引線定義
為了安全起見,傳感器應依據操作手冊中的說明進行操作。此外,在使用中必須遵守相關應用的
法律和安全的基本要求。對配件的使用也應如此。
可選供電電壓:1,DC+15V 2, DC 24V optional power supply voltage:1,dc+15V 2,DC 24V
電源power+15V 電源power-15V
地與屏蔽并連 Ground and shielded wire even 轉速輸出Speed output 轉矩輸出Torque output
電源Power 24VDC 地與屏蔽線并連 Ground and shielded wire even
信號負Signal 轉速輸出 Speed output 轉矩輸出 Torque output
In the interests of safety, the transducer should only be operated as described in the
Operating Manual. It is also essential to comply with the legal and safety requirements for
the application concerned during use. The same applies to the use of accessories.
該傳感器在指定用途的意義層面并非是一件安全的元件。正確且安全地操作此傳感器需要嚴格的
運輸,正確的儲存、組裝并安裝,以及仔細的操作。
The torque speed sensor is not a safety element within the meaning of its designated
use. Proper and safe operation of this transducer requires proper transportation, correct
storage, assembly and mounting, and careful operation.
未能遵守安全說明的一般危險 General dangers of failing to follow the safety instructions
傳感器和目前的工藝水平相對應,是故障自動保險的。如果傳感器安裝不當并且由未經培訓的人
員操作,它可能會導致潛在的危險。
The transducer corresponds to the state of the art and is failsafe. The torque speed
sensor can give rise to remaining dangers if it is inappropriately installed and operated by
untrained personnel.
任何涉及安裝、啟動、維護或修理傳感器的人一定已經閱讀并理解了操作手冊,特別是技術安全說
明。
Everyone involved with mounting, starting up, maintaining, or repairing the torque speed
sensor must have read and understood the Operating Manual and in particular the technical
safety instruction.
潛在危險 Residual dangers
傳感器的性能和使用范圍在應用中僅涉及一小部分的扭矩測量技術。此外,設備規劃人員、安裝
人員和操作人員應計劃、實施以減少潛在危險的方式并對扭矩測量技術的安全工程的想法做出回應。
必須始終遵守現場監管。必須提及與扭矩測量技術相關的潛在危險。
The scope of supply and performance of the torque speed sensor covers only a small
area of torque measurement technology. In addition, equipment planners, installers and
operators should plan, implement and respond to the safety engineering considerations of
torque measurement technology in such a way as to minimize remaining dangers. On-site
regulations must be complied with at all times. Reference must be made to remaining
dangers connected with torque measurement technology.
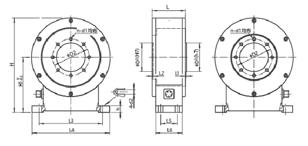
ZJ-AP型盤式扭矩傳感器輸入、輸出端都采用法蘭聯接方式(其中一端必須剛性聯接)。由于該型號傳感器不使用軸承,可有效地避免因軸承發熱產生的測量誤差。適用于高速旋轉或要求軸向尺寸更短的場合使用。
扭矩傳感器外形安裝尺寸圖
|
型號
|
量程
|
L
|
H
|
H1
|
D1
|
D2
|
n-d1x深度
|
L1
|
L2
|
L3
|
L4
|
L5
|
L6
|
d2
|
h
|
|
ZJ-5/10/20/50AP
|
5/10/20/50
|
60
|
171
|
100
|
52
|
66
|
6-M6X10
|
2
|
2
|
115
|
140
|
30
|
48
|
7
|
12
|
|
ZJ-100/200AP
|
100/200
|
60
|
171
|
100
|
52
|
66
|
6-M6X10
|
2
|
2
|
115
|
140
|
30
|
48
|
7
|
12
|
|
ZJ-500AP
|
500
|
70
|
200
|
120
|
62
|
76
|
6-M8X12
|
3
|
3
|
135
|
160
|
40
|
58
|
9
|
15
|
|
ZJ-1000AP
|
1000
|
70
|
220
|
130
|
72
|
96
|
8-M10X12
|
3
|
3
|
155
|
180
|
36
|
58
|
11
|
15
|
|
ZJ-2000AP
|
2000
|
70
|
220
|
130
|
72
|
96
|
8-M10X16
|
3
|
3
|
155
|
180
|
36
|
58
|
11
|
15
|
量程5000~2000K N•m 參數來電索取 Call for 5000 ~ 2000K N•m parameters
信號輸出與信號采集
1、扭矩信號輸出基本形式:
盤式扭矩傳感器二次儀表
· 方波信號、脈沖信號。
· 可根據用戶需要制成電壓模擬信號輸出或電流模擬信號輸出(單向、靜止扭矩測量)。
2、扭矩信號處理形式:
· 扭矩傳感器輸出的頻率信號送到頻率計或數字表,直接讀取與扭矩成正比的頻率信號或電壓、電流信號。
· 扭矩傳感器的扭矩與頻率信號送給單片機二次儀表,直接顯示實時扭矩值、轉速及輸出功率值及 RS232通訊信號。
· 直接將扭矩與轉速的頻率信號送給計算機或 PLD進行處理。
ZJ-Z型軸式靜態扭矩傳感器廣泛應用于試驗機、扭力扳手、轉向機、軸承、電動執行器、閥門、液壓等靜止扭矩測試系統中,由于出色的穩定性、較高的測量精度和極高的性價比而受到用戶的青睞。
技術指標:
1.頻率響應100μs
2.絕緣強度:200MΩ(100V)
3.供電:DC12~24V 電流≥50mA
4.輸出信號:電流4~20mA,電壓1~5V,
頻率方波10KHz/±5 KHz(可選)
5.扭矩傳感器內阻:1000Ω
外形安裝尺寸圖
量程200K~2000K N•m 參數來電索取 可非標定制
扭矩傳感器用途與特點
適用與靜態、非連續旋轉的扭矩力值的測量與控制
量程:1000,2000,3000,5000N.m
技術參數:
|
額定載荷
|
1000~5000N.m
|
|
綜合精度
|
0.1 0.3 0.5。ň性+滯后+重復性)
|
|
靈敏度
|
1.0~2.0mV/V
|
|
蠕變
|
±0.05%F·S/30min
|
|
零點輸出
|
±2 %F·S
|
|
零點溫度影響
|
±0.05%%F·S/10℃
|
|
輸出溫度影響
|
±0.05%F·S/10℃
|
|
工作溫度
|
-20℃~+65℃
|
|
輸入阻抗
|
750±15 Ω 或 380±10 Ω
|
|
輸出阻抗
|
700±5 Ω 或 350±3 Ω
|
|
絕緣電阻
|
〉5000 MΩ
|
|
安全過載
|
120% F·S
|
|
供橋電壓
|
建議10VDC
|
|
材質
|
合金鋼
|
|
接線方式
|
輸入+:紅 輸入-:黑
|
|
|
輸出+:綠 輸出-:白
|
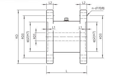
ZJ-FZ型法蘭式靜態扭矩傳感器被廣泛應用于試驗機、扭力扳手、轉向機、電動執行器、閥門、液壓等靜止扭矩測試系統中,由于出色的穩定性、較高的測量精度和極高的性價比而受到用戶的青睞。
扭矩傳感器技術指標
1.頻率響應100μs
2.絕緣強度:200MΩ(100V)
3.供電:DC12~24V 電流≥50mA
4.輸出信號:電流4~20mA,電壓1~5V,
頻率方波10KHz/±5 KHz(可選)
5.扭矩傳感器內阻:1000Ω
外形安裝尺寸圖
|
型號
|
量程
|
L
|
D
|
D1
|
D2
|
D3
|
n-d1
|
|
ZJ-5FZ
|
5
|
60
|
80
|
10
|
46
|
65
|
6-M8
|
|
ZJ-10FZ
|
10
|
60
|
80
|
10
|
46
|
65
|
6-M8
|
|
ZJ-20FZ
|
20
|
60
|
80
|
10
|
46
|
65
|
6-M8
|
|
ZJ-50FZ
|
50
|
60
|
80
|
10
|
46
|
65
|
6-M8
|
|
ZJ-100FZ
|
100
|
60
|
80
|
10
|
46
|
65
|
6-M8
|
|
ZJ-(200/300/400/500)FZ
|
200/300/400/500
|
70
|
100
|
16
|
62
|
82
|
6-M10
|
|
ZJ-(1000/2000)FZ
|
1000/2000
|
75
|
116
|
20
|
72
|
94
|
6-M12
|
|
ZJ-5000FZ
|
5000
|
85
|
165
|
25
|
115
|
142
|
8-M12
|
|
ZJ-10000FZ
|
10000
|
95
|
205
|
40
|
135
|
173
|
8-M18
|
|
ZJ-(20K/30K)FZ
|
20K/30K
|
115
|
245
|
50
|
155
|
205
|
8-M20
|
|
ZJ-(40K/50K/60K)FZ
|
40K/50K/60K
|
120
|
280
|
50
|
200
|
240
|
10-M20
|
|
ZJ-100KFZ
|
100K
|
150
|
318
|
50
|
230
|
274
|
10-M24
|
量程200K~2000K N•m參數來電索取,可非標定制。





我把所知傳感器拆開,在這個位置里面有兩個霍爾傳感器,這里也有兩個360角度傳感器,請大家看兩個細節,上面的齒輪是有磁性的,也就是兩塊磁鐵,有一個齒輪是偏心的,當轉動這個齒輪的時候,里面的磁鐵是偏心的,另外一個傳感器的信號是以占空比方式來進行輸送給電腦的,這個簡單的扭矩傳感器的原理圖已經畫出來了,電源是五伏的電源地線,兩條信號輸出線輸出給電腦,有8條線,兩個5V,4個信號線,兩個地線,分別給這兩個傳感器進行供電和打鐵,等會給他通電測試一下他的信號是怎么變化 的,我在這兩個地方加了兩個電容來進行濾波,因為制作的兩個電源不是行穩定有雜波,選測試360角度傳感器,看他的信號是怎么變化的,直接上示波器,現在用示波器去測試一下兩個傳感器他的信號電壓的變化,中間的兩個是信號,他現在是一個標準的方波,上面有一定的雜波,可能是我的電源不是很穩定,這邊也是一個標準的方波,我現在去轉動一下這個齒輪,看一下他的波形變化,從示波器可以看出,這兩個傳感器他的信號一個標準的方波形式輸送給電腦,再測試另外一個傳感器,我的解理是檢測方向當前是左打方向還是右打方向的,也用這個示波器他的的波形,但是一個人不好操作,只能簡單的看一下,這兩邊就是信號,這是這個波形的電壓是相反的,就是是說我給他通上電源以后,去測量他的信號線的時候,用螺母刀靠近這個傳感器的時候,他們兩個之間的信號電壓變化是相反的,一個是向上升的,一個是向下升的。我簡單的畫了電壓變化的圖,在靜態沒有打方向的情況下,兩具信號大概在1.6伏左右,如果說往左打方向的時候,假如說信號1的信號電壓上升,信號2的信號電壓了就是往下降,那么往右打方向的時候了,信號1的信號電壓是往下降的,信號2的信號電壓是往上升的,他們 兩個信號電壓之間的邏輯關系就是這樣的,具體他的信號電壓是多少,只能去簡單的測量一下,現在電子助力轉向系統這一塊也就研究到這里。
判斷機械能守恒的方法與條件:
在只有重力(彈簧彈力)做功時,物體的動能和重力勢能(彈性勢能)發生相互轉化,但其總和保持不變。這個結論稱為機械能守恒定律。判斷機械能守恒的方法一般有兩種:
(1)根據機械能守恒的條件判斷。分析物體或系統所受的力,判斷重力以外的力(不管是內力還是外力)是否對物體做功,如果重力以外的力對物體或系統做了功,則物體或系統的機械能不守恒,否則機械能守恒。
(2)機械能量的轉化判斷。對于一個物體或系統,分析是否只存在動能和重力勢能(彈性勢能)的相互轉化。如果只存在動能和重力勢能(彈性勢能)的相互轉化,而不存在機械能和其他形式的能量的轉化,機械能守恒,否則機械能不守恒。
同學們在學習機械能守恒的過程中,由于對守恒條件的理解不夠深刻,經常出現一些錯誤的認識,下面就兩種常見錯誤認識進行分析。
錯誤認識一:物體所受的合外力不為零時,物體的機械能一定不守恒。
分析:這種說法不對。機械能守恒的條件是重力(彈簧彈力)以外的力不做功,而不是合外力為零。例如小球在自由落體過程中,僅受重力作用,合外力不為零,但運動過程中只有重力做功,符合機械能守恒定律的條件。
錯誤認識二:只要機械能的總量不變,也就是機械能守恒。
分析:這種說法也是不正確的。機械能守恒的條件是只存在動能和重力勢能(彈性勢能)的相互轉化,而不存在機械能和其他形式的能量的轉化,例如用手拉一物體恰好克服斜面摩擦力沿斜面加速下滑,動能增加,重力勢能減少,機械能總量保持不變?墒怯捎谠谶\動過程中:從功的角度分析,除重力外還有人的拉力及摩擦力對物體的做功,不符合機械能守恒的條件,或從能量轉化的角度分析,除了機械能外還有人的化學能及因摩擦而產生的內能參與轉化,故此過程不符合機械能守恒的條件。
例:下列關于機械能是否守恒的敘述正確的是(BD)
A. 做勻速直線運動的物體機械能一定守恒
B. 做勻變速直線運動的物體機械能可能守恒
C. 合外力對物體做功為零時,機械能一定守恒
D. 只有重力對物體做功,物體機械能一定守恒
解析:對A、C選項,做勻速直線運動的物體(合外力做功為零),除了重力做功外,可能還有其他力做功,如降落傘在空中勻速下降時,除了重力做功外,空氣阻力也對降落傘做功,所以機械能不守恒,故A、C選項是錯誤的。
B選項中做勻變速直線運動的物體可能只受重力且只有重力做功,如自由落體運動,物體機械能守恒。故B選項是正確的。
D選項符合機械能守恒的條件,所以本題的正確答案應為BD.
綜上所述,我們在具體判斷機械能是否守恒時,一般從以下兩方面考慮:
一、從做功的角度考慮
①對于一個物體,若只有重力做功,而其他力不做功,則該物體的機械能守恒。
②對于由兩個或兩個以上物體(包括彈簧在內組成的系統),如果系統只有重力做功或彈力做功,則系統的機械能守恒。
二、從能量轉化的角度考慮
物體間只有動能、重力勢能和彈性勢能之間的相互轉化,系統與外界沒有機械能的轉移,系統內部沒有機械能與其他形式能的轉化,則系統的機械能守恒。
扭矩測量廣泛應用于汽車,航空,航天,航模,電力,汽車,能源化工等等各個工業領域,正確的進行扭矩測量是產品研發性能檢測、狀態監測自動控制,節能動力平衡指示的保證,所以說今天我們就來聊一聊扭矩測量的相關技術支持。
我們先來看一下扭矩的定義,扭矩就是使機械構件產生轉動效應,并伴隨扭轉變形的力或者是力矩,也叫做轉矩,單位是牛米,轉矩符號呢是由右手螺旋法則確定的,也就是說你的右手大拇指所指的方向,就是扭矩的方向,其中扭矩矢量我們規定,它的指向與截面的位法線方向一致的時候呢是正,反正就是負。扭矩有力偶和力矩兩種表現形式,力矩就是我們在高中物理里面所學的作用力使物體繞著轉動軸或者是支點轉動的趨向,他的公式就是力矩等于力乘以力臂。
那對于力偶是作用于剛體上的一對大小相等作用相反,力偶和力矩的表達式雖然是相同的,但是呢它們是有區別的,力偶的對象上周五接下的作用產生的是存留局,力矩是構建單邊受理,相當于鏡像力F1撇和6fl的復合作用效應,構件在靜壓力F1撇的作用下受到彎矩作用,使得軸承摩擦阻力增加,在實際應用中我們在做現場標定的時候,很多人家采用力*力臂方式,這種方式呢,就會產生徑向力和彎矩的問題。對于旋轉機械我們又有這樣兩個公式,一個就是有扭距等于轉動慣量乘以角加速度,另外一個就是扭矩等于9.55功率除以轉速,為了大家更好的理解扭矩這些公式,我將力學方面的相關的定律給大家復習一下。
牛頓的三大定律,那牛頓的第一定律,力是改變物體運動狀態的原因,也就是說物體在沒有受到力或者是合力為0的時候,總是保持勻速直線運動或者靜止狀態,那對應到扭矩這一塊來,就是物體在沒有受到扭矩的作用是或者是扭矩為0的時候就,總是保持勻速旋轉或者是靜止狀態。
牛頓第二定律講了力和物體的質量加速度的關系,也就是說F=ma那對應的扭矩這就是扭矩等于轉動慣量乘以角加速度。
牛頓第三定律他講了力是物體間的相互作用,也就是說兩個物體之間的作用力和反作用力,總是同時在一條直線上,大小相等,方向相反。
我們扭矩測量里面的一種反作用力扭矩測量就是采用的這種原理。我們經常聽到有人在問扭矩傳感器測量的是驅動扭矩、負載扭矩還是其他什么扭矩,那這里我就做了一個簡化的模型,那M0里那就分別代表著平衡的驅動與負載,那這個假想截面就相當于我們的扭矩傳感器,我們采用截面法可以來進行分析,截面板加這個軸系分為了左右兩側,左右兩側分別有Y6M0和內6T和T1撇,平衡方式可知T撇是等于M0=T的。因為呢,T和T撇是同一截面上的內力,它們應該有相同的大小和正負的,對于他T和T撇的方向,我們可以按照右手螺旋法則來確定,我們可以看到在左側我們四指直線T的這個方向,那我們的大拇指指向右又那這時候呢,他的扭矩矢量的指向是以截面的外環線方向是一致的,所以說這時候它是正的,而對于呢也同樣的,我們是指指向他的扭矩加載的方向,拿大拇指是指向左側的,同樣它也是指向了截面的Y法線的方向,所以說它也是正的,以上就解釋了我們為什么說有一句傳感器可以考察整個周期中任意點的扭矩,由于實際工作中我們要考慮了整個軸系的質量,那我們可以思考一下,對于我們需要測量虛構扭矩來講,扭矩傳感器應該安裝在更靠近驅動側還是負載側?
為了更好的讓大家理解截面法,那我來聊一聊扭矩圖,那扭矩圖就是以平行于桿軸線的坐標,X表示截面的位置,以垂直于X軸的坐標截面表示,前面有句子這張圖我給出了一個傳動系統的一個簡化模型,那一般呢會直接給出功率轉速值,那我們為了簡便就做了一個簡化,那對于這個圖的扭矩圖怎么來畫呢?結果就是這樣。我們取左端為參考正項,那所有的截面我們也從左側的截面來看,我們對ab段我們可以看到,我們可以看到ab段的內力偶為10千牛米,那對于BC段我們可以看到BC段的內力偶,10+10=20,對于CD段,那它的內力偶為10+10-40=-20千牛米,同樣如果我們從右側去看的話,我們可以得出同樣的結果。
|