| ZJ-AF型 法蘭式轉矩轉速傳感器 | ||||||||||||||||||||||||||||||||||||||||||||||||||||||||||||||||||||||||||||||||||||||||||||||||||||||||||||||||||||||||
| 來源: 點擊數:15904次 更新時間:2021/9/6 20:32:36 | ||||||||||||||||||||||||||||||||||||||||||||||||||||||||||||||||||||||||||||||||||||||||||||||||||||||||||||||||||||||||
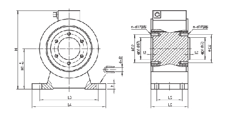
ZJ-AF型法蘭式轉矩轉速傳感器輸入、輸出端都采用法蘭聯接方式(其中一端必須剛性聯接)。由于該型號傳感器不使用軸承,可有效地避免因軸承發熱產生的測量誤差。適用于高速旋轉或要求軸向尺寸較短的場合使用。 外形安裝尺寸圖
量程10000~2000K N•m參數來電索取 Call for 10000 ~ 2000K N•m parameters 優 點: ●檢測手段為應變電測技術; ●測量精度高信號檢出、處理均用數字技術; ●抗干擾能力強,無需調零即可工作; ●可靠性高、信噪比高,工作壽命長; ●既可以測量靜止扭矩,也可測量旋轉轉矩; ●能夠測量穩態扭矩,也能測量過渡過程的動態轉矩; ●無需反復調零即可連續測量正反轉矩; ●無集流環、電刷等磨損件,可高速超長運行; ●轉矩信號的傳遞與是否旋轉、轉速大小及旋轉方向無關; ●測量彈性體強度大,可承受150%過載; ●體積小,重量輕,安裝方便,有套裝式、卡裝式、聯軸式等多種安裝方式; ●輸出信號以頻率形式給出,便于和計算機進行接口。 | ||||||||||||||||||||||||||||||||||||||||||||||||||||||||||||||||||||||||||||||||||||||||||||||||||||||||||||||||||||||||
| 【刷新頁面】【加入收藏】【打印此文】 【關閉窗口】 | ||||||||||||||||||||||||||||||||||||||||||||||||||||||||||||||||||||||||||||||||||||||||||||||||||||||||||||||||||||||||
| 上一篇:扭矩傳感器 下一篇:ZJ-A型大量程 轉矩轉速傳感器 |
服務熱線:400-111-3688 (24小時)
工作時間:7:30-11:30 12:30-16:30 (雙休)



