| CW電渦流制動器 | |||||||||||||||||||||||||||||||||||||||||||||||||||||||||||||||||||||||||||||||||||||||||||||||||||||||||||||||||||||||||||||||||||||||||||||||||||||||||||||||||||||||||||||||||||||||||||||||||||||||||||||||||||||||||||||||||||||||||||||||||||||
| 來源: 點擊數:28166次 更新時間:2023/10/3 10:49:34 | |||||||||||||||||||||||||||||||||||||||||||||||||||||||||||||||||||||||||||||||||||||||||||||||||||||||||||||||||||||||||||||||||||||||||||||||||||||||||||||||||||||||||||||||||||||||||||||||||||||||||||||||||||||||||||||||||||||||||||||||||||||
電渦流制動器作為一種負載,主要用來測量動力機械特性的檢驗設備,它和其他控制測量儀可組成電渦流測功機。可用于內燃機、電機、燃氣輪機、汽車及其動力機械部件的性能測試,與其他測功裝置相比,CW系列測功裝置具有更高的可靠性、穩定性,和實用性。 電渦流制動器主要特點: 1.結構簡單,運行穩定,價格低廉,使用維護方便。 2.采用水冷卻,噪音低,振動小。 3.輸入轉速范圍寬。 4.歷次控制功率小,采用單相直流電源。 5.與測控系統配套,可實現自動化控制。 6.作為制動器使用,具有制動力大,且穩定性能好等優點。 電渦流制動器工作原理: 1.CW系列電渦流制動器的基要結構(見下圖)
CW型電渦流制動器由轉子(帶有槽輪)、定子(包括左右電樞體、勵磁線圈、端蓋、軸承蓋)、機座組成。 2.CW電渦流制動器的工作原理 當與轉子同軸裝配的勵磁線圈通有直流電視時,其產生的磁通經電樞體、渦流環、氣隙和轉子形成磁閉合回路。由于轉子外圈面被制成均勻分布的齒和槽,故在氣隙和渦流環內表面產生疏密詳見的磁場。因此,當轉子被拖動旋轉時,在渦流環內表面的任一點的磁場產生交變變化,由此感應出,該“渦流”所形成的磁場又與原氣隙磁場相互作用,在轉子上就產生了制動力矩。動力機輸出的功率被轉化成渦流環上“渦流”產生的等值發熱量,該熱量由進入渦流環冷卻水槽中持續不斷的冷卻水帶走。 電渦流制動器主要技術參數:
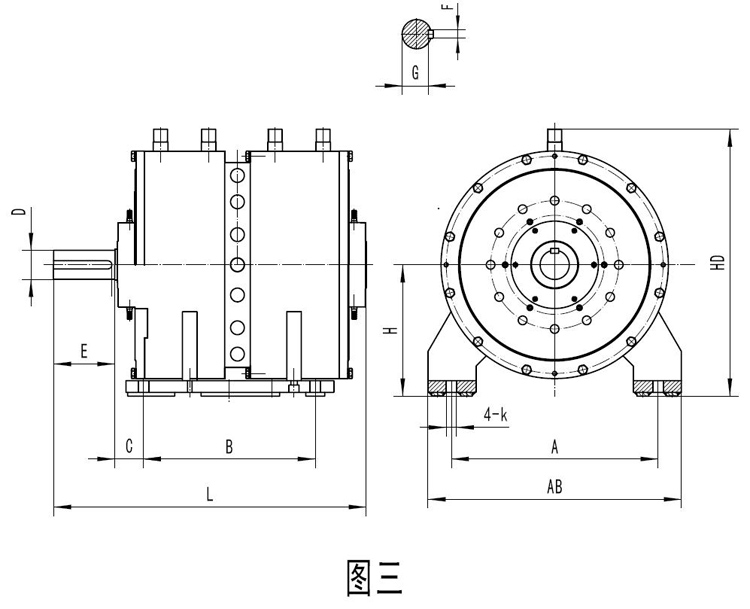
5、外形及安裝尺寸 (見下表)
注:上表所列為標準產品的外形及安裝尺寸,以供貨時提供的尺寸為準。 6、電渦流制動器使用、儲存、運輸條件 6.1電渦流制動器的工作環境溫度在0℃ — +40℃,相對濕度不大于85%,海拔高度不超過1000米。 6.2 電渦流制動器應安裝在牢固的基礎上,不能受沖擊振動,且周圍環境應無酸、堿、鹽等有害物質。 6.3 運輸及儲存溫度為:-30℃~+50℃ (必須放凈冷卻系統中的積水) ;運輸必須在有包裝的情況下進行,公路運輸三極路面時,時速不大于30+5公里,鐵路水路不限。 6.4對于CW系列電渦流制動器來說,由于被測機所產生的功率被電渦流制動器所吸收,所以工作時必須要有冷卻水,否則,電渦流制動器將被燒損! 吸收功率所產生的熱量除少部分通過外殼自然散去,絕大部分熱量集中在渦流組件上,所以從圖一簡圖中可以看到在制動器渦流環的后背開有多條冷卻水流動槽,來自外部的冷卻水,流過水槽與導磁環組件進行熱交換,被加熱的水經水管流出去。 冷卻水是電渦流制動器工作時的重要保障,安裝時一定要按規定尺寸的水管接到制動器的進出水口,且通過試水,檢查供水系統是否漏水,且水流量是否達到規定數值。 冷卻水可直接用自來水冷卻,或用循環水池供水,使用循環水池應考慮冷卻水的散熱,應保證進水溫度≤25℃,冷卻水應用純凈的自來水,冷卻水中不含沙鹽、堿及其它腐蝕性物質,以防水垢的快速形成。由于各地的水質不同,用戶可自行鑒定和判斷,并采取措施防止水垢形成,尤其在硬水地區,一定要采取措施。否則將很快使渦流制動器的水道堵塞,使其無法正常工作,可通過加入防銹劑和抗積垢的添加劑,以延長制動器的使用壽命。
電渦流是怎么被發現的,1951年法國科學家傅科發現當一個金屬圓盤向磁場移動時,線圈中間的直通量增加,線圈中就產生了感應電流,根據熱磁定律線圈中感應電流產生的磁場,要抵抗外部的磁場的變化。感應電流產生的磁場與原磁場相反,我們利用安培右手定律,判定電流產生的方向,電流的方向為逆時針方向,對于整個技術來說。你把它看作產生了一圈又一圈的電流,有點像漩渦的樣子,我們稱之為電渦流,在實際應用中,我們通常采用交流電的方式產生電磁場,這樣導體不動的情況下,也能產生電渦流,由于最外圈切割磁力線的面積最大,磁通量變化也是最大,所以最外圈產生最大的電流,在汽車上由于產生電物流的轉子,就把電渦流傳感器中間的金屬導體做成框架式,節約材料又不影響信號的產生,當電渦流的大小與什么有關呢?我們可以看到鐵制圓盤的電物流的計算公式,I為電流大小。二為圓盤直徑d為圓盤厚度,d為磁通密度,一維材料的電阻率,電流與厚度半徑的磁通密度成正比。與電阻率成反比,這是工作頻率最高時,導體產生趨膚效應,在電流一定的情況下,曲阜厚度越薄,電流密度越大,發熱量越高,如鐵的電阻率為銅的近6倍,鐵的電流為銅的1/6,但鐵在屈服厚度為銅的1/38,我們如圖公式所計算,則鐵質材料的發熱率為銅的7倍左右,這就是為什么電磁爐不能用銅鍋的道理。 | |||||||||||||||||||||||||||||||||||||||||||||||||||||||||||||||||||||||||||||||||||||||||||||||||||||||||||||||||||||||||||||||||||||||||||||||||||||||||||||||||||||||||||||||||||||||||||||||||||||||||||||||||||||||||||||||||||||||||||||||||||||
| 【刷新頁面】【加入收藏】【打印此文】 【關閉窗口】 | |||||||||||||||||||||||||||||||||||||||||||||||||||||||||||||||||||||||||||||||||||||||||||||||||||||||||||||||||||||||||||||||||||||||||||||||||||||||||||||||||||||||||||||||||||||||||||||||||||||||||||||||||||||||||||||||||||||||||||||||||||||
| 上一篇:DWZ型電渦流制動器 下一篇:氣脹鼓 | |||||||||||||||||||||||||||||||||||||||||||||||||||||||||||||||||||||||||||||||||||||||||||||||||||||||||||||||||||||||||||||||||||||||||||||||||||||||||||||||||||||||||||||||||||||||||||||||||||||||||||||||||||||||||||||||||||||||||||||||||||||
服務熱線:400-111-3688 (24小時)
工作時間:7:30-11:30 12:30-16:30 (雙休)



