| ZJ-B型標準轉矩轉速傳感器 | ||||||||||||||||||||||||||||||||||||||||||||||||||||||||||||||||||||||||||||||||||||||||||||||||||||||||||||||||||||||||||||||||||||||||
| 來源: 點擊數:969次 更新時間:2025/5/6 10:05:15 | ||||||||||||||||||||||||||||||||||||||||||||||||||||||||||||||||||||||||||||||||||||||||||||||||||||||||||||||||||||||||||||||||||||||||
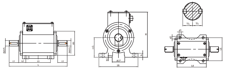
轉矩轉速傳感外器形安裝尺寸圖:
規格
(N.m)
Ø
d
Ø
D
L1
L2
L3
L4
L5
L6
H1
H
L
h
鍵
b*h*l*n
T
A
h1
5-50
18
78
31
23
80
102
80
100
50
115
188
10
6X6X25X1
225
32
4
100
18
78
31
23
80
102
80
100
50
15
188
10
6X6X25X1
20.5
32
4
200
28
90
41
23.5
80
101
86
105
60
131
209
10
7X8X35X1
31
32
4
500
38
102
55
21.5
85
100
100
120
65
142
238
12
10X8X50X2
22
38
5
1000
48
116
70
25.5
84
105
124
150
75
159
275
15
14X9X65X2
27.5
42
5
2000
48
116
70
25.5
84
105
124
150
75
159
275
15
14X9X65X2
27.5
42
5
5000
75
145
105
48
69
100
156
180
90
188.5
375
15
20X12X95X2
42
| ||||||||||||||||||||||||||||||||||||||||||||||||||||||||||||||||||||||||||||||||||||||||||||||||||||||||||||||||||||||||||||||||||||||||
| 【刷新頁面】【加入收藏】【打印此文】 【關閉窗口】 | ||||||||||||||||||||||||||||||||||||||||||||||||||||||||||||||||||||||||||||||||||||||||||||||||||||||||||||||||||||||||||||||||||||||||
| 上一篇:印尼 電機測試臺 下一篇:ZJ-B型標準轉矩轉速傳感器 |
服務熱線:400-111-3688 (24小時)
工作時間:7:30-11:30 12:30-16:30 (雙休)



