| JP-8型伺服糾偏系統 | |||||||||||||||||||||||||||||||||||||||||||||||||
| 來源: 點擊數:18484次 更新時間:2021/11/18 21:14:16 | |||||||||||||||||||||||||||||||||||||||||||||||||
JP-8是一款高性能的全觸摸屏式糾偏控制器,專門應用于材料在收卷、放卷或傳送程中位置產生偏移時,進行自動糾正。該控制器配合超聲波等模擬量信號輸出傳感器使用時,根據檢測信號運算出材料在收卷、放卷或傳送程中位置產生偏移時,進行自動糾正。該控制器配合超聲波等模擬量信號輸出傳感器使用時,根據檢測信號運算出材料位置偏移大小,及時修正糾偏電機驅動參數,來達成對材料高精度的位置糾正。也可配合光電等數字量信號輸出傳感器使用,控制糾偏電機的正轉、反轉來達到糾偏的目的。
面板尺寸 150mm×120mm 開孔尺寸 130mm×98mm×100mm 性能數據:
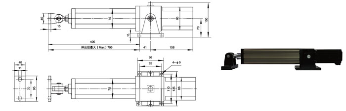
SE-1T/5T伺服執行機構外形尺寸及性能參數 1.SE-1T伺服執行機構外形尺寸
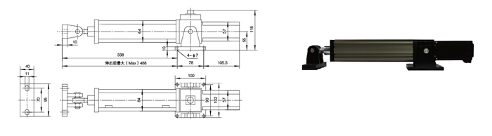
2.SE-5T伺服執行機構外形尺寸
性能數據
極高的糾偏精度,我們看到精度可達±1毫米以內,我們看到紙卷在不斷的滾動,注意觀察紙的邊緣與紅色標記相對的位置基本上恒定在一個值,不會出現左右的偏差。無刷直流伺服電機保證輸出穩定高效,其響應時間短,反應速度快。利用觀摩超強的抗干擾功能。光幕具有耐高溫,內置環境補償功能可補償溫度,濕度,灰塵等環境因素。自動檢測無面紙功能。控制器高度集成,全航空插頭式連接。目前在全國有多個實用穩定使用,安裝簡單方面,出現問題易于排查。糾偏控制中心設計獨特,主控制器液晶屏與手機屏相同,畫面直觀易于操作,精確測量。精度可達500mm/s驅動速度,高于目前市面上的其他品牌。
| |||||||||||||||||||||||||||||||||||||||||||||||||
| 【刷新頁面】【加入收藏】【打印此文】 【關閉窗口】 | |||||||||||||||||||||||||||||||||||||||||||||||||
| 上一篇:EPC-DY型電液糾偏系統 下一篇:JP-5型光電糾偏控制器 |
服務熱線:400-111-3688 (24小時)
工作時間:7:30-11:30 12:30-16:30 (雙休)



