磁滯制動器概述
磁滯制動器是一種優越的扭矩、張力控制部件。它利用磁滯原理,通過控制輸入的勵磁電流,產生一定的扭矩。控制電流和輸出扭矩有較好的線性關系。它能提供光滑、無級可調、與轉速無關的扭矩控制。除了軸承以外,系統內無其它摩擦,具有穩定可靠、使用轉速高、噪音小、使用幫命長、維護成本低等優點。
磁滯制動器結構特征
磁滯制動器由轉子和定子磁極兩大部分組成。轉子由特殊的磁滯材料制動。定子磁極中有一定的間隙,轉子在間隙中轉動。當線圈通電時,間隙中產生磁場,使轉子產生磁滯效應。當磁滯轉子在外力作用下克服磁滯力轉動時,產生扭矩。扭矩僅與勵磁電流大小有關,與轉速無關,能夠實現非接觸的扭矩傳遞。
磁滯制動器特點
勵磁電流與輸出扭矩基本成線性關系,傳送扭矩在額定值的5-100%范圍內可以精確控制,小電流可以控制輸出較大的扭矩。
無論滑轉速度的變化如何,其傳送的扭矩能基本保持不變。能夠在容許的滑差功率 下連續運轉。
磁滯計算方法
在卷線加工的場合,常常需要用到張力控制,此時的線材、帶材上的實際張力,由以下公式確定。
F=M÷R
F─張力N(牛頓)
R─材料卷筒半徑m(米)
M─扭矩N•m(牛•米)
磁滯制動器工作過程中,消耗的功率會轉化為熱量。如果超過額定的滑差功率,則會因過熱而損壞器件。
滑差功率P=M×n÷9.55=F×v
P─滑差功率w(瓦)
n─滑差轉速rpm(轉/分)
M─扭矩N•m(牛•米)
F─張力N(牛頓)
V─線速度m/s(米/秒)
如何避免殘余扭矩
使用磁滯制動器時最需注意的問題之一就是殘留扭矩波。所謂殘留扭矩波,就是當斷開勵磁電流,內部還殘留有N極S極的交變磁極,繼續旋轉會出現殘余波狀的扭矩偏差現象。如果在沒有旋轉的狀態下斷開勵磁電流,則會產生勵磁電流斷開前扭矩值5-10%的殘留扭矩,表現特征為在旋轉時產生一跳一跳的料動現象(脈動狀)。重新啟動時,如果使用斷開前電流值60-70%以上的勵磁電流重新啟動時,則殘留扭矩波不會產生。例如斷開前電流為250mA,第二次啟動時電流為150mA時,則不產生殘余扭矩,而小于150mA的電流如00mA啟動時,就會產生殘余扭矩。
消除和防止殘留扭矩波發生的方法如下:
1.通常使用時
轉速在50/rmin以上時,斷開勵磁電流幾乎不會發生殘留扭矩波。但是,有些機型以不同的電流斷開速度,有時會殘余少許殘留扭矩。這時需要進一步增加轉速。
2.轉速較低時(相對轉速在50r/min以下時)
10-50r/min (1秒) 5~10r/min (5秒) 5r/min下(20秒以上)
若按照上述時間緩慢斷開勵磁電流,則不會發生殘留扭矩。
3.施加與勵磁電流方向相反的電流
有殘留扭矩波時,將勵磁線圈的正負極對調,并短時施加斷開電流前的30 -50%電流。但這時如果輸入轉子和輸出轉子相互獨立,會由于磁極偏離而沒有效果,需預先保持定子和轉子無相對旋轉。然而,因機型和斷開電流值的不同,最佳逆向電流值也不相同,所以雖然可以在一定程度上減少殘留扭矩波,但是完全消除仍比比較困難。
HZ系列自冷式磁滯制動器
分為單出軸磁滯制動器,雙出軸磁滯制動器,空心軸磁滯制動器。
主要應用于高速繞線設施備的放卷,電機、小型內燃機、齒輪箱及其它旋轉裝置的壽命測試的模擬負載;高端運動器材的精確負載。
HZ自冷式磁滯制動器規格參數
|
磁滯制動器型號
|
額定扭矩
|
額定電流
|
電壓
|
線圈電阻
|
額定滑差功率
|
慣性矩
|
最高轉速
|
重量
|
|
N.m
|
mA
|
VDC
|
Ω(Ohm)
|
watts
|
watts
|
Kg.cm2
|
rpm
|
kg
|
|
HZ-0.003
|
0.003
|
135
|
24
|
180
|
8
|
2
|
3.3×10-4
|
20000
|
0.12
|
|
HZ-0.02
|
0.02
|
192
|
24
|
125
|
25
|
6
|
1.5×10-3
|
20000
|
0.15
|
|
HZ-0.03
|
0.03
|
208
|
24
|
115
|
30
|
8
|
6.8×10-3
|
20000
|
0.21
|
|
HZ-0.05
|
0.05
|
208
|
24
|
115
|
30
|
8
|
6.8×10-3
|
20000
|
0.21
|
|
HZ-0.07
|
0.07
|
200
|
24
|
112
|
40
|
10
|
1.2×10-2
|
20000
|
0.26
|
|
HZ-0.01
|
0.1
|
200
|
24
|
120
|
55
|
15
|
4.6×10-2
|
20000
|
0.39
|
|
HZ-0.02
|
0.2
|
203
|
24
|
118
|
75
|
20
|
6.8×10-2
|
15000
|
0.51
|
|
HZ-0.03
|
0.3
|
390
|
24
|
62
|
120
|
35
|
1.8×10-1
|
15000
|
0.9
|
|
HZ-0.05
|
0.5
|
390
|
24
|
62
|
120
|
35
|
1.8×10-1
|
15000
|
0.9
|
|
HZ-1
|
1
|
400
|
24
|
60
|
320
|
80
|
1.1×100
|
15000
|
1.8
|
|
HZ-2
|
2
|
750
|
24
|
76
|
460
|
115
|
3.2×100
|
10000
|
3.5
|
|
HZ-3
|
3
|
750
|
24
|
32
|
680
|
165
|
6.8×100
|
10000
|
5.2
|
|
HZ-5
|
5
|
750
|
24
|
32
|
1000
|
200
|
1.3×100
|
10000
|
9.6
|
|
HZ-6
|
6
|
750
|
24
|
32
|
1000
|
200
|
1.4×100
|
10000
|
9.6
|
|
HZ-10
|
10
|
1200
|
24
|
20
|
1200
|
350
|
6.2×100
|
10000
|
21.8
|
|
HZ-12
|
12
|
1200
|
24
|
20
|
1200
|
350
|
6.2×100
|
10000
|
21.8
|
|
HZ-15
|
15
|
1200
|
24
|
20
|
1200
|
350
|
6.2×100
|
10000
|
21.8
|
HZ-Q系列氣冷式磁滯制動器
以自式磁滯制動器為基礎,在定子磁極上加上氣冷裝置。
當制動器長時間工作時,會使其溫度急劇升高,氣冷式磁滯制動器可在較高滑差功率下長時間連續運轉。
MHZ系列匹配式磁滯制動器
在多個電流特定點其扭矩都非常接近,僅使用一套控制系統即可實現多軸張力控制,其精度高于普通的磁滯制動器。
廣泛應用于多卷紗線,玻纖放卷裝置及電纜、繩索等加工設備。
HZ-Y系列水冷式磁滯制動器
以自冷式磁滯制動器為基礎,內部加以水冷卻通道,通過水冷卻來吸收連續滑差產生的熱量。具有噪音低、功率大的優點。廣泛應用于測試負載和高速大張力放卷場合。(具體尺寸請來電索取)
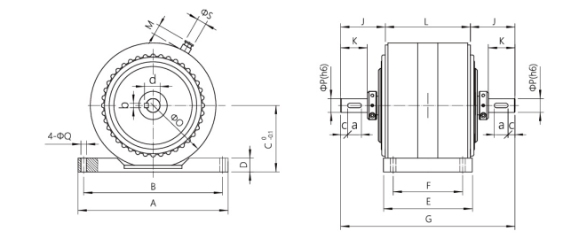
HZ-A型雙出軸磁滯制動器外形尺寸

|
磁滯制動器型號
|
φA
|
Φb(H6)
|
ΦC(H6)
|
D
|
E
|
F
|
G
|
H
|
I
|
J
|
K
|
L
|
M
|
N
|
|
HZ-0.003A
|
35
|
2
|
6
|
0.4
|
-
|
20
|
50
|
13
|
23.5
|
13
|
3-M3↓5
|
20
|
|
|
|
HZ-0.02A
|
35
|
3
|
8
|
0.5
|
-
|
22
|
50
|
10.7
|
23.8
|
13
|
3-M3↓5
|
20
|
8
|
2.7
|
|
HZ-0.03A
|
42
|
4
|
11
|
0.5
|
-
|
23.5
|
58
|
14
|
28.5
|
15
|
3-M3↓5
|
26
|
10
|
3.6
|
|
HZ-0.05A
|
42
|
4
|
11
|
0.5
|
-
|
23.5
|
58
|
14
|
28.5
|
15
|
3-M3↓5
|
26
|
10
|
3.6
|
|
HZ-0.07A
|
46
|
5
|
13
|
0.6
|
1.5
|
23.5
|
60
|
14
|
28.5
|
15.4
|
3-M3↓5
|
26
|
10
|
4.6
|
|
HZ-0.1A
|
53
|
6
|
15
|
0.8
|
2
|
26
|
75
|
21
|
32
|
20
|
3-M3↓5
|
30
|
12
|
5.5
|
|
HZ-0.2A
|
58
|
6
|
15
|
0.8
|
2
|
27
|
75
|
20
|
32
|
20
|
3-M3↓5
|
30
|
12
|
5.5
|
|
HZ-0.3A
|
69
|
8
|
22
|
1
|
3
|
35
|
95
|
25.5
|
41
|
25
|
3-M3↓5
|
40
|
15
|
7.2
|
|
HZ-0.5A
|
69
|
8
|
22
|
1
|
3
|
35
|
95
|
25.5
|
41
|
25
|
3-M3↓5
|
40
|
15
|
7.2
|
|
HZ-1A
|
91
|
10
|
22
|
1
|
2
|
40
|
110
|
27
|
51
|
29
|
3-M3↓5
|
38
|
18
|
9
|
|
HZ-2A
|
115
|
12
|
28
|
1
|
4
|
51
|
132
|
31.4
|
64.5
|
31
|
3-M3↓5
|
70
|
鍵槽見下圖
|
|
HZ-2A
|
138
|
15
|
32
|
1.2·
|
3.5
|
53
|
145
|
20
|
79.8
|
30.7
|
3-M3↓5
|
80
|
|
HZ-5A
|
157
|
17
|
35
|
1.2
|
4
|
73
|
181.5
|
38
|
100.5
|
38
|
3-M3↓5
|
90
|
|
HZ-6A
|
157
|
17
|
35
|
1.2
|
4
|
73
|
181.5
|
38
|
100.5
|
38
|
3-M3↓5
|
90
|
|
HZ-10A
|
226
|
25
|
52
|
1.3
|
6
|
76.5
|
213
|
48
|
108.9
|
48.9
|
3-M3↓5
|
100
|
|
HZ-12A
|
226
|
25
|
52
|
1.3
|
6
|
76.5
|
213
|
48
|
108.9
|
48.9
|
3-M3↓5
|
100
|
|
HZ-15A
|
226
|
25
|
52
|
1.3
|
6
|
76.5
|
213
|
48
|
108.9
|
48.9
|
3-M3↓5
|
100
|
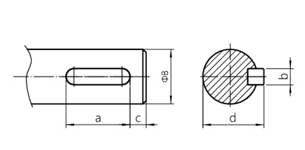
1
12
|
型號
|
Φb(H6)
|
a
|
b
|
c
|
d
|
|
HZ-2A
|
12
|
20
|
4
|
5
|
13.5
|
|
HZ-3A
|
15
|
20
|
5
|
6
|
17
|
|
HZ-5A
|
17
|
20
|
5
|
6
|
20
|
|
HZ-10A
|
25
|
25
|
8
|
12.5
|
28
|
|
HZ-12A
|
25
|
25
|
8
|
12.5
|
28
|
|
HZ-15A
|
25
|
25
|
8
|
12.5
|
28
|
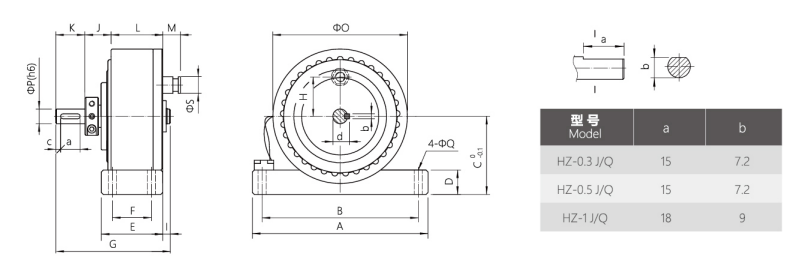
HZ-B型左出軸磁滯制動器外形尺寸
HZ-C右出軸磁滯制動器外形尺寸
HZ-Q型氣冷卻磁滯制動器
HZ-J/Q型底座式氣冷卻磁滯制動器
HZ-Y型雙出軸磁滯制動器

HZ-Y系列水冷式磁滯制動器
以自冷式磁滯制動器為基礎,內部加以水冷卻通道,通過水冷卻來吸收連續滑差產生的熱量。具有噪音低、功率大的優點。廣泛應用于測試負載和高速大張力放卷場合。(具體尺寸請來電索取)9.20
|